Products
Related suggestion

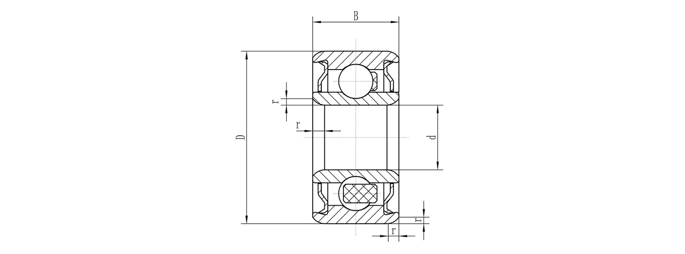
Deep groove ball bearing used the most widely. Its friction is small and it is also suitable for high speed working conditions. The structure is simple and easy to reach high precision level,so it can be mass produced.
Automobile, tractor, machine tool, motor, water pump, agricultural machinery, textile machinery, etc.
1. The radial clearance is relatively small, the radial angular contact bearing can be pre-tightened can be pre-tightened to eliminate the clearance, high running accuracy.
2. The efficiency of rolling bearings is higher than that of mixed lubrication bearings.
3. For the axle diameter of the same size, the width of the rolling bearing is smaller than that of the sliding bearing, which can make the axial structure of the machine compact.
4. High degree of standardization, batch production, less lubricant consumption, easy to seal, easy to maintain, do not need useful non-ferrous metal low cost.
Miniature deep groove ball bearing


Miniature Groove Ball Bearing List | |||||||||||
Designation | Dimensions(mm) | Rated load (N) | Limiting speed (rpm) | ||||||||
Open | Shield | Seal | d | D | B | B1 | rsmin. | Cr | Cor | Grease | Oil |
693 | 693-ZZ | 693-2RS | 8 | 3 | 4 | 0.15 | 560 | 179 | 60000 | 67000 | |
603 | 603-ZZ | 603-2RS | 3 | 9 | 3 | 5 | 0.15 | 570 | 187 | 56000 | 67000 |
623 | 623-ZZ | 623-2RS | 10 | 4 | 4 | 0.15 | 630 | 218 | 50000 | 60000 | |
684 | 684-ZZ | 684-2RS | 4 | 9 | 2.5 | 4 | 0.1 | 640 | 225 | 53000 | 63000 |
694 | 694-ZZ | 694-2RS | 11 | 4 | 4 | 0.15 | 960 | 345 | 48000 | 56000 | |
604 | 604-ZZ | 604-2RS | 12 | 4 | 4 | 0.2 | 960 | 345 | 48000 | 56000 | |
624 | 624-ZZ | 624-2RS | 13 | 5 | 5 | 0.2 | 1300 | 485 | 40000 | 48000 | |
634 | 634-ZZ | 634-2RS | 16 | 5 | 5 | 0.3 | 1730 | 670 | 36000 | 43000 | |
685 | 685-ZZ | 685-2RS | 5 | 11 | 3 | 5 | 0.15 | 715 | 281 | 45000 | 53000 |
695 | 695-ZZ | 695-2RS | 13 | 4 | 4 | 0.2 | 1080 | 430 | 43000 | 50000 | |
605 | 605-ZZ | 605-2RS | 14 | 5 | 5 | 0.2 | 1330 | 505 | 40000 | 50000 | |
625 | 625-ZZ | 625-2RS | 16 | 5 | 5 | 0.3 | 1730 | 670 | 36000 | 43000 | |
635 | 635-ZZ | 635-2RS | 19 | 6 | 6 | 0.3 | 2620 | 1060 | 32000 | 40000 | |
686 | 686-ZZ | 686-2RS | 6 | 13 | 3.5 | 5 | 0.15 | 1080 | 440 | 40000 | 50000 |
696 | 696-ZZ | 696-2RS | 15 | 5 | 5 | 0.2 | 1730 | 670 | 40000 | 45000 | |
606 | 606-ZZ | 606-2RS | 17 | 6 | 6 | 0.3 | 2260 | 835 | 38000 | 45000 | |
626 | 626-ZZ | 626-2RS | 19 | 6 | 6 | 0.3 | 2620 | 1060 | 32000 | 40000 | |
636 | 636-Z2 | 636-2RS | 22 | 7 | 7 | 0.3 | 3300 | 1370 | 30000 | 36000 | |
687 | 687-ZZ | 687-2RS | 7 | 14 | 3.5 | 5 | 0.15 | 1170 | 510 | 40000 | 45000 |
697 | 697-ZZ | 697-2RS | 17 | 5 | 5 | 0.3 | 1610 | 710 | 36000 | 43000 | |
607 | 607-ZZ | 607-2RS | 19 | 6 | 6 | 0.3 | 2620 | 1060 | 36000 | 43000 | |
627 | 627-ZZ | 627-2RS | 22 | 7 | 7 | 0.3 | 3300 | 1370 | 30000 | 36000 | |
688 | 688-ZZ | 688-2RS | 8 | 16 | 4 | 5 | 0.2 | 1260 | 590 | 36000 | 34000 |
698 | 698-ZZ | 698-2RS | 19 | 6 | 6 | 0.3 | 2620 | 1060 | 36000 | 34000 | |
608 | 608-ZZ | 608-2RS | 22 | 7 | 7 | 0.3 | 3300 | 1370 | 34000 | 40000 | |
628 | 628-ZZ | 628-2RS | 24 | 8 | 8 | 0.3 | 3350 | 1430 | 28000 | 34000 | |
699 | 699-ZZ | 699-2RS | 9 | 20 | 6 | 6 | 0.3 | 1720 | 840 | 24000 | 40000 |
609 | 609-ZZ | 609-2RS | 24 | 7 | 7 | 0.3 | 3350 | 1430 | 22000 | 38000 | |
629 | 629-ZZ | 629-2RS | 26 | 8 | 8 | 0.3 | 4550 | 1970 | 17000 | 34000 | |
Small deep groove ball bearing


Small Deep Groove Ball Bearing List | |||||||||||
Designation | Dimensions(mm) | Rated load (N) | Limiting speed (rpm) | ||||||||
Open | Shield | Seal | d | D | B | rsmin. | Cr | Cor | Grease ZZ | Grease 2RS | Oil |
6800 | 6800-ZZ | 6800-2RS | 10 | 19 | 5 | 0.3 | 1720 | 840 | 34000 | 24000 | 40000 |
6900 | 6900-ZZ | 6900-2RS | 22 | 6 | 0.3 | 2700 | 1270 | 32000 | 22000 | 38000 | |
6000 | 6000-ZZ | 6000-2RS | 26 | 8 | 0.3 | 4550 | 1970 | 30000 | 22000 | 36000 | |
6200 | 6200-ZZ | 6200-2RS | 30 | 9 | 0.3 | 5100 | 2390 | 24000 | 18000 | 30000 | |
6300 | 6300-ZZ | 6300-2RS | 35 | 11 | 0.6 | 8100 | 3450 | 22000 | 17000 | 26000 | |
6801 | 6801-ZZ | 6801-2RS | 12 | 21 | 5 | 0.3 | 1920 | 1040 | 24000 | 20000 | 38000 |
6901 | 6901-ZZ | 6901-2RS | 24 | 6 | 0.3 | 2890 | 1460 | 22000 | 20000 | 36000 | |
6001 | 6001-ZZ | 6001-2RS | 28 | 8 | 0.3 | 5100 | 2370 | 28000 | 18000 | 32000 | |
6201 | 6201-ZZ | 6201-2RS | 32 | 10 | 06 | 6800 | 3050 | 22000 | 17000 | 28000 | |
6301 | 6901-ZZ | 6301-2RS | 37 | 12 | 1 | 9700 | 4200 | 20000 | 16000 | 24000 | |
6802 | 6802-ZZ | 6802-2RS | 75 | 24 | 5 | 0.3 | 2070 | 1260 | 28000 | 17000 | 34000 |
6902 | 6902-ZZ | 6902-2RS | 28 | 7 | 0.3 | 4350 | 2260 | 26000 | 17000 | 30000 | |
6002 | 6002-ZZ | 6002-2RS | 32 | 9 | 0.3 | 5600 | 2830 | 24000 | 15000 | 28000 | |
6202 | 6202-ZZ | 6202-2RS | 35 | 11 | 0.6 | 7650 | 3750 | 20000 | 14000 | 24000 | |
6302 | 6302-ZZ | 6302-2RS | 42 | 13 | 1 | 11400 | S450 | 17000 | 13000 | 20000 | |
6803 | 6803-ZZ | 6803-2RS | 17 | 26 | 5 | 0.3 | 2630 | 1570 | 26000 | 15000 | 30000 |
6903 | 6903-ZZ | 6903-2RS | 30 | 7 | 0.3 | 4600 | 2550 | 24000 | 15000 | 28000 | |
6003 | 6003-ZZ | 6003-2RS | 35 | 10 | 0.3 | 6000 | 3250 | 22000 | 13000 | 26000 | |
6203 | 6203-ZZ | 6203-2RS | 40 | 12 | 0.6 | 9550 | 4800 | 17000 | 12000 | 20000 | |
6303 | 6303-ZZ | 6303-2RS | 47 | 14 | 1 | 13600 | 6650 | 75000 | 11000 | 18000 | |
6804 | 6804-ZZ | 6804-2RS | 20 | 32 | 7 | 0.3 | 4000 | 2470 | 22000 | 13000 | 26000 |
6904 | 6904-ZZ | 6904-2RS | 37 | 9 | 0.3 | 64000 | 3700 | 79000 | 12000 | 22000 | |
6004 | 6004-ZZ | 6004-2RS | 42 | 12 | 0.6 | 9400 | 5000 | 18000 | 11000 | 20000 | |
6204 | 6204-ZZ | 6204-2RS | 47 | 14 | 1 | 12800 | 6600 | 79000 | 11000 | 18000 | |
6304 | 6304-ZZ | 6304-2RS | 52 | 15 | 1.1 | 15900 | 7900 | 14000 | 10000 | 17000 | |
6805 | 6805-ZZ | 6805-2RS | 25 | 37 | 7 | 0.3 | 4500 | 3750 | 18000 | 10000 | 22000 |
6905 | 6905-ZZ | 6905-2RS | 42 | 9 | 0.3 | 7050 | 4550 | 16000 | 10000 | 19000 | |
600s | 6005-ZZ | 6005-2RS | 47 | 12 | 0.6 | 10000 | 5850 | 79000 | 9900 | 18000 | |
6205 | 6205-ZZ | 6205-2RS | 52 | 15 | 1 | 14000 | 7850 | 13000 | 9000 | 15000 | |
6806 | 6806-ZZ | 6806-2RS | 30 | 42 | 7 | 0.3 | 4700 | 3650 | 75000 | 9000 | 18000 |
6906 | 6906-ZZ | 6906-2RS | 47 | 9 | 0.3 | 7250 | 5000 | 14000 | 8500 | 17000 | |
6006 | 6006-ZZ | 6006-2RS | 55 | 13 | 1 | 13200 | 8300 | 13000 | 8000 | 17000 | |
6807 | 6807-ZZ | 6807-2RS | 35 | 47 | 7 | 0.3 | 4900 | 4000 | 14000 | 7500 | 16000 |
6907 | 6907-ZZ | 6907-2RS | 55 | 10 | 0.6 | 10600 | 7250 | 12000 | 7000 | 17000 | |
6808 | 6808-ZZ | 6808-2RS | 40 | 52 | 7 | 0.3 | 6350 | 5550 | 12000 | 6700 | 14000 |
Medium and small-sized deep groove ball bearing


Medium and Small Deep Groove Ball Bearing List | ||||||||||||
Designation | Dimensions(mm) | Rated load(N) | Limiting speed(rpm) | |||||||||
Open | Shield | Seal | d | D | B | rsmin. | Cr | Cor | Grease ZZ | Grease 2RS | Oil | |
6800 | 6800-ZZ | 6800 2RS | 10 | 19 | 5 | 0.3 | 1720 | 840 | 34000 | 24000 | 40000 | |
6900 | 6900-ZZ | 6900 2RS | 22 | 6 | 0.3 | 2700 | 1270 | 32000 | 2x000 | 18000 | ||
6000 | 6000-ZZ | 6000 2RS | 26 | 8 | 0.3 | 4550 | 1970 | 30000 | 22000 | 36000 | ||
6000 | 6200-ZZ | 6700 2RS | 30 | 9 | 0.3 | 5100 | 2390 | 24000 | 18000 | 10000 | ||
6300 | 6300-ZZ | 6300 2RS | 35 | 11 | 0.6 | 8100 | 3450 | 22000 | 17000 | 26000 | ||
6801 | 6801-ZZ | 6801 2RS | 12 | 21 | 5 | 0.3 | 1920 | 1040 | 24000 | 20000 | 18000 | |
6901 | 6901-ZZ | 6901 2RS | 24 | 6 | 0.3 | 2890 | 1460 | 22000 | 20000 | 36000 | ||
6001 | 6001-ZZ | 6001 2RS | 28 | 8 | 0.3 | 5100 | 2370 | 28000 | 15000 | 10000 | ||
6201 | 6201-ZZ | 6201 2RS | 32 | 10 | 0.6 | 6800 | 3050 | 22000 | 17000 | 28000 | ||
6301 | 6301-ZZ | 6301 2RS | 37 | 12 | 1 | 9700 | 4700 | x000 | 15000 | 24000 | ||
6800 | 6802-ZZ | 6802 2RS | 15 | 24 | 5 | 0.3 | 2070 | 1260 | 28000 | 17000 | 34000 | |
6000 | 6902-ZZ | 6902 2RS | 28 | 7 | 0.3 | 4350 | 2260 | 26000 | 17000 | 30000 | ||
6002 | 6002-ZZ | 6002 2RS | 32 | 9 | 0.3 | 5600 | 2830 | 24000 | 15000 | 28000 | ||
6000 | 6202-ZZ | 6202 2RS | 15 | 11 | 0.6 | 7650 | 3750 | 20000 | 14000 | 24000 | ||
6300 | 6302-ZZ | 6302 2RS | 42 | 13 | 1 | 11400 | 5450 | 17000 | 13000 | 20000 | ||
6803 | 6803-ZZ | 6803 2RS | 17 | 26 | 5 | 0.3 | 2630 | 1570 | 26000 | 15000 | 30000 | |
6903 | 6903-ZZ | 6903 2RS | 30 | 7 | 0.3 | 4600 | 2550 | 24000 | 15000 | 28000 | ||
6003 | 6003-ZZ | 6003 2RS | 35 | 10 | 0.3 | 6000 | 3250 | 22000 | 1000 | 26000 | ||
6203 | 6203-ZZ | 6203 2RS | 40 | 12 | 0.6 | 9550 | 4500 | 17000 | 12000 | 20000 | ||
6303 | 6303-ZZ | 6303 2RS | 47 | 14 | 1 | 13600 | 6650 | 15000 | 1000 | 18000 | ||
6804 | 6804-ZZ | 6804 2RS | 20 | 32 | 7 | 0.3 | 4000 | 2470 | 22000 | 13000 | 26000 | |
6904 | 6904-ZZ | 6904 2RS | 37 | 9 | 0.3 | 64000 | 3700 | 19000 | 12000 | 20000 | ||
6004 | 6004-ZZ | 6004 2RS | 42 | 12 | 0.6 | 9400 | 5000 | 18000 | 0000 | 20000 | ||
6004 | 6204-ZZ | 6704 2RS | 47 | 14 | 1 | 12800 | 6600 | 15000 | 0000 | 18000 | ||
6304 | 6304-ZZ | 6304 2RS | 52 | 15 | 11 | 15900 | 7000 | 14000 | 10000 | 17000 | ||
6805 | 6805-ZZ | 6805 2RS | 25 | 37 | 7 | 0.3 | 4500 | 3150 | 18000 | 10000 | 22000 | |
6905 | 6705-ZZ | 6905 2RS | 42 | 9 | 0.3 | 7050 | 4550 | 16000 | 10000 | 1000 | ||
6005 | 6005-ZZ | 6005 2RS | 47 | 12 | 0.6 | 10000 | 5850 | 15000 | 9500 | 15000 | ||
6205 | 6205-ZZ | 6205 2RS | 52 | 15 | 1 | 14000 | 7850 | 13000 | 9000 | 15000 | ||
6305 | 6305-ZZ | 6305 2RS | 62 | 17 | 11 | 20600 | 11200 | 11000 | 8000 | 13000 | ||
6806 | 6806-ZZ | 6806 2RS | 30 | 42 | 7 | 0.3 | 4700 | 3650 | 15000 | 9000 | 18000 | |
6906 | 6705-ZZ | 6906 2RS | 47 | 9 | 0.3 | 7250 | 5000 | 14000 | 8500 | 17000 | ||
6006 | 6006-ZZ | 6006 2RS | 55 | 13 | 1 | 13200 | 8300 | 13000 | 8000 | 15000 | ||
6206 | 6206-ZZ | 6206 2RS | 62 | 16 | 1 | 19500 | 11300 | 11000 | 7500 | 13000 | ||
6306 | 6305-ZZ | 6306 2RS | 72 | 19 | 11 | 26700 | 15000 | 9500 | 6700 | 12000 | ||
6807 | 6807-ZZ | 6807 2RS | 35 | 47 | 7 | 0.3 | 4900 | 4100 | 14000 | 7500 | 15000 | |
6907 | 6907-ZZ | 6907 2RS | 55 | 10 | 0.6 | 10600 | 7250 | 12000 | 75000 | 15000 | ||
6007 | 6007-ZZ | 6007 2RS | 62 | 14 | 1 | 16000 | 10300 | 1000 | 6700 | 13000 | ||
6207 | 6207-ZZ | 6207 2RS | 72 | 17 | 11 | 25700 | 15300 | 9500 | 6300 | 11000 | ||
6307 | 6307-ZZ | 6307 2RS | 80 | 21 | 15 | 33500 | 19000 | 8500 | 6000 | 10000 | ||
6808 | 6808-ZZ | 6808 2RS | 40 | 52 | 7 | 0.3 | 6350 | 5550 | 12000 | 6700 | 14000 | |
6900 | 6908-ZZ | 6908 2RS | 62 | 1 | 0.6 | 13700 | 10000 | 1000 | 6300 | 13000 | ||
6008 | 6008-ZZ | 6008 2RS | 68 | 15 | 1 | 16800 | 11500 | 10000 | 6000 | 12000 | ||
6000 | 6208-ZZ | 6206 2RS | 80 | 18 | 11 | 2900 | 17900 | 6500 | 5600 | 10000 | ||
6308 | 6308-ZZ | 6308 2RS | 90 | 23 | 15 | 40500 | 24000 | 7500 | 5300 | 9000 | ||

